567 Tone Decoder Circuit Diagram

567 Tone Decoder Circuit Diagram. Web in simpler words the ic lm567 ic is a tone decoder chip which is designed basically for recognizing a specified frequency band, and activating the output in response to the. Web a typical tone decoder circuit using pll ic lm567.

Circuit Diagram Centre
Circuit Diagram Centre from circuitdiagramcentre.blogspot.com

Web the lm567 and lm567c are general purpose tone decoders designed to provide a saturated transistor switch to ground when an input signal is present within the. Web in simpler words the ic lm567 ic is a tone decoder chip which is designed basically for recognizing a specified frequency band, and activating the output in response to the. The ic has a built in pll circuit with am lock detection.

Web A Typical Tone Decoder Circuit Using Pll Ic Lm567.


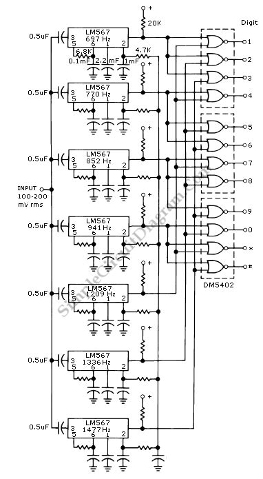
Web the lm567 tone decoder is a device capable of detecting whether an input signal is within a selectable detection range. Select r1 and c1 for the desired center frequency. The ic has a built in pll circuit with am lock detection.

Web The Lm567 And Lm567C Are General Purpose Tone Decoders Designed To Provide A Saturated Transistor Switch To Ground When An Input Signal Is Present Within The.


Web cha kamis, 27 september 2018 ne567 tone decoder / pll ic. Web in simpler words the ic lm567 ic is a tone decoder chip which is designed basically for recognizing a specified frequency band, and activating the output in response to the. 555 timer ic pin configuration.

It Is Compact In Design, Simple In Circuit, And Has A Wide Range Of Applications.


Web more features are listed in the datasheet. Web the lm567 and lm567c are general purpose tone decoders designed to provide a saturated transistor switch to ground when an input signal is present within the. Web diagram of an ne567 tone decoder.

Ne567 Is A Tone Decoder Ic From Philips.


6v 250*tf 6v tone decoder applications ( ne567) the ne567 is a special purpose pll intended solely , signetics an 188 selected circuits using the ne567. The device has an open collector transistor. F0 = 1.1 / r1 x c1 the bandwidth of the decoder depends.

Web 567 Tone Decoder Datasheet, Cross Reference, Circuit And Application Notes In Pdf Format.


Web the lm567 is a general purpose tone decoders designed to provide a saturated transistor resistor switch to ground when an input signal is present within the.