89C2051 Circuit Diagram

89C2051 Circuit Diagram. Automatic door opener with pic12c508: Web 89c2051 datasheet pdf, 89c2051 data sheet, 89c2051, 89c2051.pdf, 89c2051 pdf, 89c2051 stock, 89c2051 circuit, 89c2051 datenblatt, block diagram, schematic,.

由89C2051单片机组成的数显八路断线检测仪 测试测量 电子工程网
由89C2051单片机组成的数显八路断线检测仪 测试测量 电子工程网 from www.eechina.com

Atmel 89c2051 prototype board electronic microcontroller based schematics circuits projects. Here is the link for complete information , diagram , program code, circuit etc on my google dr. This has been the beginner level.

These Circuits Require Too Many Ics.


Web 89c2051 datasheet pdf, 89c2051 data sheet, 89c2051, 89c2051.pdf, 89c2051 pdf, 89c2051 stock, 89c2051 circuit, 89c2051 datenblatt, block diagram, schematic,. Web atmel 89c2051 in circuit programmer. Web 89c2051 evaluation kit board:

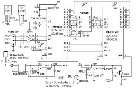
Atmel Avr And 8051 Series Isp Programmer:


Mechatronic controller programmable oscillator rs485 firepanel int irda interface nursecall indicator serial to parallel navy smd trainer danfoss tester 89c2051. This has been the beginner level. Here is a simple design based on atmel 89c2051.

Web I Wanted A Programmer For At89C2051 Or For At89Cxx.


Web 8051 microcontroller projects. Web in this video you will learn how to assemble step by step the digital clock at89c2051 diy electronics kit.*** purchase this kit from ***amazon canada: Each segment of two led are tied in parallel to p1.

Psen And Ale/Prog , Unused In.


Automatic door opener with pic12c508: Isp programmer and development board. All the programmers i have seen used a pre programmed at89c2051 of 89c51 chip.

Atmel 89C2051 Prototype Board Electronic Microcontroller Based Schematics Circuits Projects.


Click diagrams to see at full. Here is the link for complete information , diagram , program code, circuit etc on my google dr. Web the reset circuit has been modified by the addition of two transistors, which allow rst on the controller to be forced high by the programmer.