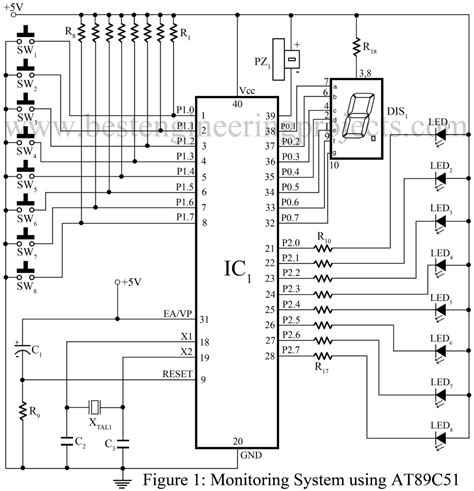
89C51 Programmer Circuit Diagram

89C51 Programmer Circuit Diagram. Rev 4 includes a faster cpu, more memory, more i/o and an optional lcd. Select your chip from ‘select chip’.

AT89C51 Programmer Free Microcontroller Projects 8051AVRPIC
AT89C51 Programmer Free Microcontroller Projects 8051AVRPIC from www.8051projects.info

The position of s1 as drawn in this diagram is for normal operation. Web here are steps to burn: This article mainly introduces circuit.

We Recommend You Use Rev 4 For New Projects.


Web 3 the at89c51 provides the following standard features: Web the at89c51rc provides the following standard features: Rev 4 includes a faster cpu, more memory, more i/o and an optional lcd.

Web The General Schematic Diagram Of 8051 Microcontroller Is Shown Above.


Web 89c51 programmer circuit diagrams. Web a newer version (rev 4) of this circuit board is available. Web usb powered pic programmer circuit diagram.

We Are Using Pin One Of Port 1 To Connect The Led.


Select your chip from ‘select chip’. Check the checkboxes according to diagram. 8051 avr usb asp isp microcontroller programmer for.

Web Circuit Diagram And Explanation.


At89s51 52 isp programmer memory write. Web here are steps to burn: We can see 3 system inputs, 3 control signals and 4 ports (for external interfacing).

Connect 16×2 Lcd With Port 1 Of 8051 (89C51 Or 89C52) Microcontroller.


It works with the popular 8051 architecture and hence is used by most beginners till date. The pg8951 programs atmel 89c51 & 89c52 cpus; Download progisp and install drivers, run the.exe file.