At89S51 Programmer Circuit Diagram

At89S51 Programmer Circuit Diagram. This article mainly introduces circuit. Further, it has an erasable and flashes programmable (4k.

Serial Programmer For At89s51 alipowerful
Serial Programmer For At89s51 alipowerful from alipowerful.weebly.com

Web #1 are there any schematic diagrams for a programmer for the atmel at89s51? The at89c51 belongs to the 8051 family. Web 3 the at89c51 provides the following standard features:

Web What Is The At89C51 Microcontroller?


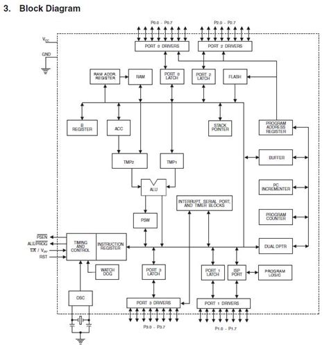
Further, it has an erasable and flashes programmable (4k. Web at89c51 block diagram how to program the at89c51 (8051) microcontroller parts with similar specs specifications datasheet pdf at89c51. The at89c51 belongs to the 8051 family.

Web 3 The At89C51 Provides The Following Standard Features:


This article mainly introduces circuit. It works with the popular 8051 architecture and hence is used by most beginners till date. Then i decided that its too specific of a question;

Web #1 Are There Any Schematic Diagrams For A Programmer For The Atmel At89S51?


The device is manufactured using atmel’s high. So it should be easy for you to find a programmer for it, why do you wan to. Web download the circuit diagram here:

I Googled For A Little Bit;


Use the one used for 8051 mcu's.